服务电话(移):17319309550
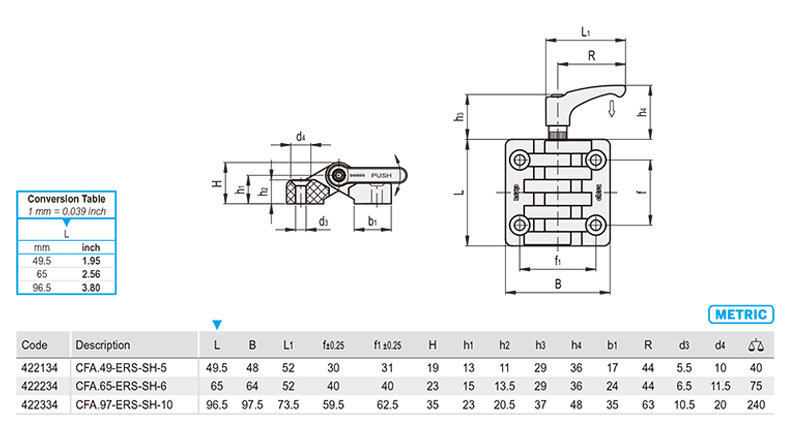
材料
高回弹聚酰胺基(PA)高科技聚合体,黑色,亚光饰面。
旋转销
黑色氧化钢。
标准执行
沉头螺钉的通孔。
可调节手柄,用于夹紧
玻璃纤维增强聚酰胺基(PA)高科技聚合体,黑色,亚光饰面。
红色书写“PUSH”夯实在杠杆体上(避免接触溶剂,酒精或含酒精的洗涤剂)。
黑色氧化钢固定螺钉,AISI 302不锈钢复位弹簧。
带有黑色氧化钢螺纹盲孔(CFA.49和CFA.65)或黄铜(CFA.97)的凸台。
旋转角度(近似值)
最大215°(-35°和+ 180°是0°,即两个相互连接的表面在同一平面上的情况)。
不要超过旋转角度限制,以免损害铰链机械性能。
功能和应用
带有摩擦制动器的CFA-ERS铰链允许调节门打开和关闭所需位置,并且门夹在任何位置,旋转角度为215°。
通过使用特殊可调节手柄夹紧两个铰接体来获得摩擦效果。要操作调节机构,请按下控制杆(PUSH)。通过释放杠杆,弹簧释放齿,因此手柄可以返回到其起始位置,并且杠杆可以与门一起自由旋转而不妨碍运动,即使在意外冲击的情况下也是如此。即使在杠杆臂运动非常有限的情况下,可调节手柄内的大量齿也可确保旋转。
好评度 | 商品满意度 | 服务满意度 | 发货满意度 |
"伊莉莎+冈特 铰链,带摩擦闸的铰链,黑色CFA.97-ERS-SH-10 售卖规格:1个"商品可能已被商家删除,您可查看其他相似商品!
相似产品推荐