科研综合服务平台
仪器共享
南繁用地
危化品
崖州科农
知识产权
仪器维保
运杂费:登录后可查看运杂费
服务电话(移):17319309550
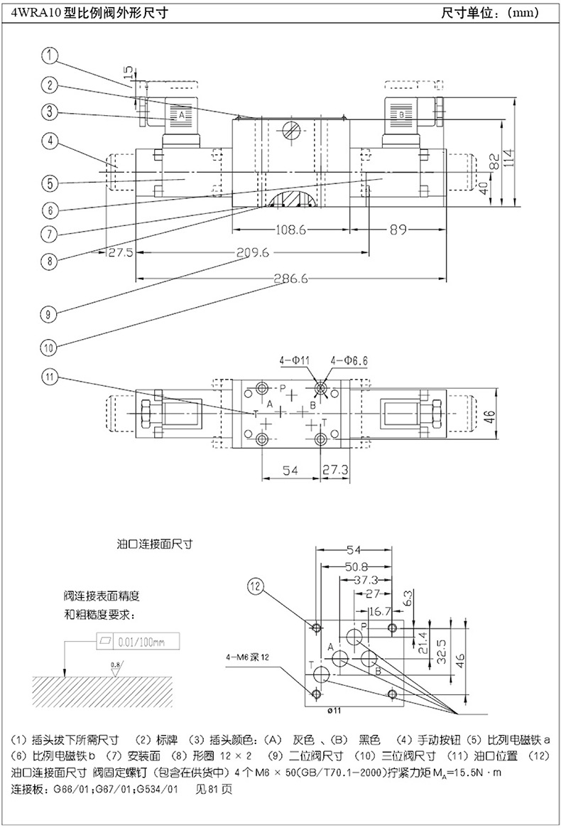
注:产品的长宽高重量参数仅供仓库入库参考,如有技术性选型引起的尺寸和重量需求,请查看该产品手册或者在线咨询。
"华德液压/HUADE 电磁比例换向阀,4WRA6M10-10B/24NZ4/M 售卖规格:1个"商品可能已被商家删除,您可查看其他相似商品!
相似产品推荐