DeepBio得分:5567.2
DeepBio得分
是基于文献引用次数,影响因子,文献新近度等因素计算的客观产品评级,得分越高表明该产品经过越可靠的实验验证,质量可信度越高
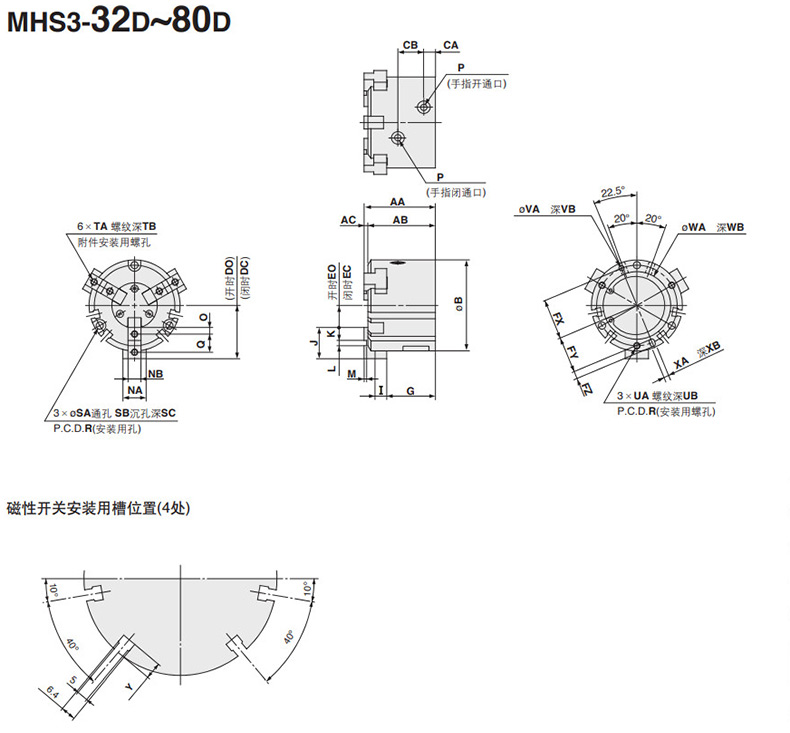
●采用楔形凸轮构造,高度小,重量轻
●最适合压入等加外力的作业
●重复精度±0.01mm
●长行程:标准型行程2倍以上
●可夹持圆筒形工件
●附带中心贯通孔、中心推进器能保证工件的放下










| 好评度 | 商品满意度 | 服务满意度 | 发货满意度 |
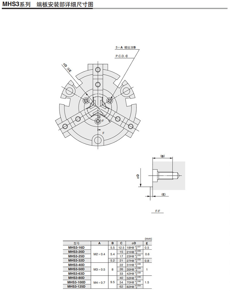
"SMC 滑动导轨型3爪型气爪,MHS3-40D 售卖规格:1个"商品可能已被商家删除,您可查看其他相似商品!
相似产品推荐
