运杂费:登录后可查看运杂费
服务电话(移):17319309550
DeepBio得分:5567.2
DeepBio得分
是基于文献引用次数,影响因子,文献新近度等因素计算的客观产品评级,得分越高表明该产品经过越可靠的实验验证,质量可信度越高
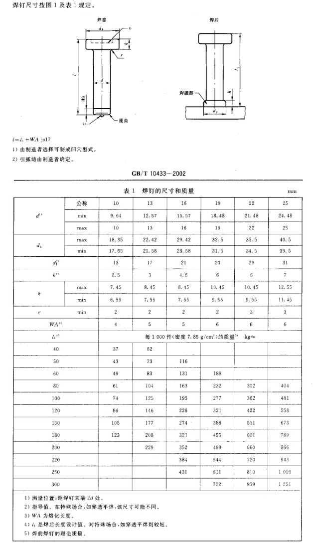
焊接螺钉也称种焊螺钉,焊接螺柱或点焊螺钉。螺柱焊接(Stud Welding)是指在金属或类似金属件的端面与另一金属工件表面之间产生电弧,待接合面熔化时迅速施加压力,完成焊接的一种方法。这种焊接新技术快速、可靠、简单、成本低。
![1541642702699616.jpg 7CH1%OT0@R[]FMVSFB(T3%Y.jpg](http://image-c.ehsy.com/uploadfile/opc/editor/image/201811/08/1541642702699616.jpg)

焊接栓钉方法:通焊机焊枪电源,柱状栓钉套在焊枪上,防弧座圈,启动焊枪、楼承板是建筑压型钢板,其截面成V型、U型、梯形或类似这几种形状的波形。
广泛应用到桥梁、高速公路、房屋建筑、造船、汽车、电站、电控柜等行业,可焊接低碳钢、不锈钢、低合金钢,铜、铝及其合金螺柱、焊钉、销钉、栓钉等。
| 好评度 | 商品满意度 | 服务满意度 | 发货满意度 |
"鑫盛达 GB10433-2002焊接栓钉+瓷环,19X135,本色"商品可能已被商家删除,您可查看其他相似商品!
相似产品推荐
