DeepBio得分:5567.2
DeepBio得分
是基于文献引用次数,影响因子,文献新近度等因素计算的客观产品评级,得分越高表明该产品经过越可靠的实验验证,质量可信度越高



一. 工程机械制造业:
如挖掘机、装载机、混凝土搅拌机、摊铺机等,快速夹钳主要用于驾驶室类覆盖金属件的焊装,在“焊接治具”上做夹具和定位栓。
主要应用型号:13002-B、36204、30607、12305、22502-B、10247等。
二. 电梯制造业:
² 箱式电梯的生产,快速夹速主要用于箱笼的“焊装胎具”上做夹具。
主要应用型号:101-E、101-J、204-GB系列等。
² 箱式电梯箱门的生产,快速夹钳主要用于“焊装胎具”上做夹具。
主要应用型号:101-E、10247、25382、21384等。
² 扶梯的生产,快速夹钳主要用于龙骨的焊装做夹具。
主要应用型号:F型钳。
三. 集装箱制造业:
1. 干箱箱体的生产,快速夹钳主要用于骨架的“焊装胎具”上做定位栓和夹具。
主要使用型号:303-E、304-H、305-H、30607、101-J、204-G等。
2. 冷藏集装箱箱体的生产,类同十七—1。
3. 冷藏集装箱保温层的生产,快速夹钳在“发泡模具”上做夹具。
主要使用型号:36224、36003等。
注:有一种生产方法,是先做好内外箱体,然后灌装保温材料。此种方法不用夹钳(目前极少)。
四. 飞机制造业:
1. 机体龙骨的生产,快速夹钳用于“焊装胎具”上。主要使用型号各厂不一。很杂,且此行业有限,这里不举例。
2. 外层金属板件的铆接及内层内饰件的胶粘,快速夹钳做夹具用。
主要使用型号:F型钳,挤压钳类。
五. 机械制造业:
生产组合机床,加工中心等机床设备,在其工作台上或转换机构中可用快速夹钳作夹具和转换装置用。
主要应用型号:3字头、转角缸类快速夹钳。
六. 机械加工业:
铣床、插床、钻床、镗床、组合机床、加工中心、数控(各种)机床等机械加工设备加工机械零件时,均可在其工作台上使用快速夹钳以取代老式的固定夹具。
主要应用型号:3字头、7字头、转角缸类快速夹钳。
七. 其它行业:
除以上所述的行业外,快速夹钳已在军事工业、文体、办公用品制造工业、医疗设备及器械制造工业、饮事机械及用品制造工业、电力设备制造工业、桥梁、公路设备设施制造工业、工模具制造工业、环保、消防设备设施制造工业。通讯设备及器材制造工业、装潢、安装行业、高新科技领域等方面开始广泛应用。
注意:
嘉手牌快速夹钳的主要功能是——准确定位,快速装卸,自锁夹紧,凡是需要这些功能者,都是我们服务的对象。


| 好评度 | 商品满意度 | 服务满意度 | 发货满意度 |
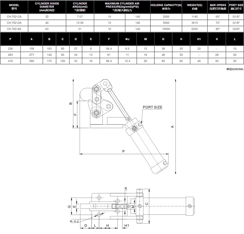
"嘉刚 快速肘节夹钳,气动式夹钳,CH-702-CA 售卖规格:1个"商品可能已被商家删除,您可查看其他相似商品!
相似产品推荐
