服务电话(移):17319309550
DeepBio得分:5567.2
DeepBio得分
是基于文献引用次数,影响因子,文献新近度等因素计算的客观产品评级,得分越高表明该产品经过越可靠的实验验证,质量可信度越高



可使用钢(硬质合金)球型检测齿轮的滚柱外母线直径。
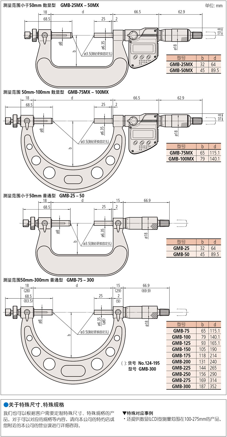
GMB-MX达到IP65防水/防尘防护等级的防水型数显齿轮外径千分尺。
螺纹中径的测定:B-72“精密量仪·量具小知识”。
选择不同的可更换球型测砧 - 测微螺杆测量面型,可测量不同模数的齿轮(0.5 - 5.25)。
带有恒定测力的装置。
可更换球型测砧 - 测微螺杆测量面是选件。


| 好评度 | 商品满意度 | 服务满意度 | 发货满意度 |
"三丰 数显齿轮千分尺,324-252-30 25-50、IP65级防护、不含第三方检测计量报告 售卖规格:1个"商品可能已被商家删除,您可查看其他相似商品!
相似产品推荐
