温馨提示:下单前请先同商家确认价格和库存信息,以免无法发货,造成不便!

收 藏

比价
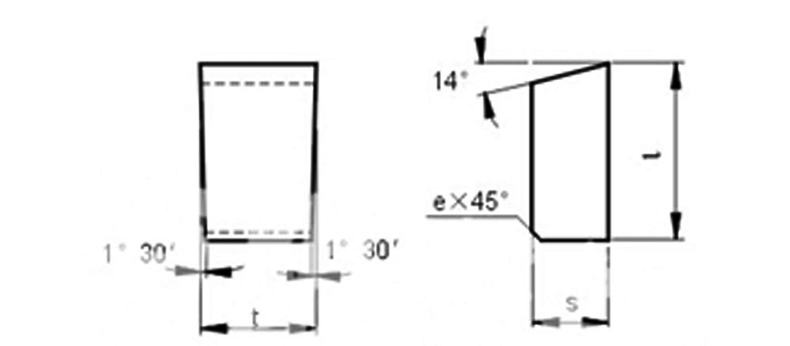
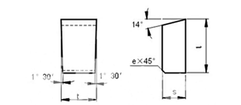
株洲钻石 硬质合金焊接刀片,C305 YG8 售卖规格:30片/盒
登录可见
价格走势
货号:C305 YG8
品牌:ZCC/钻石
计量单位:盒
支付方式:
线下结算
公务卡
网银支付
微信
支付宝
DeepBio得分:5567.2
DeepBio得分
是基于文献引用次数,影响因子,文献新近度等因素计算的客观产品评级,得分越高表明该产品经过越可靠的实验验证,质量可信度越高
株洲钻石 硬质合金焊接刀片,C305 YG8 售卖规格:30片/盒



- 适合各类材质的通用和特殊加工,用于传统机床的普通机械加工
|
数据支持