DeepBio得分:5567.2
DeepBio得分
是基于文献引用次数,影响因子,文献新近度等因素计算的客观产品评级,得分越高表明该产品经过越可靠的实验验证,质量可信度越高
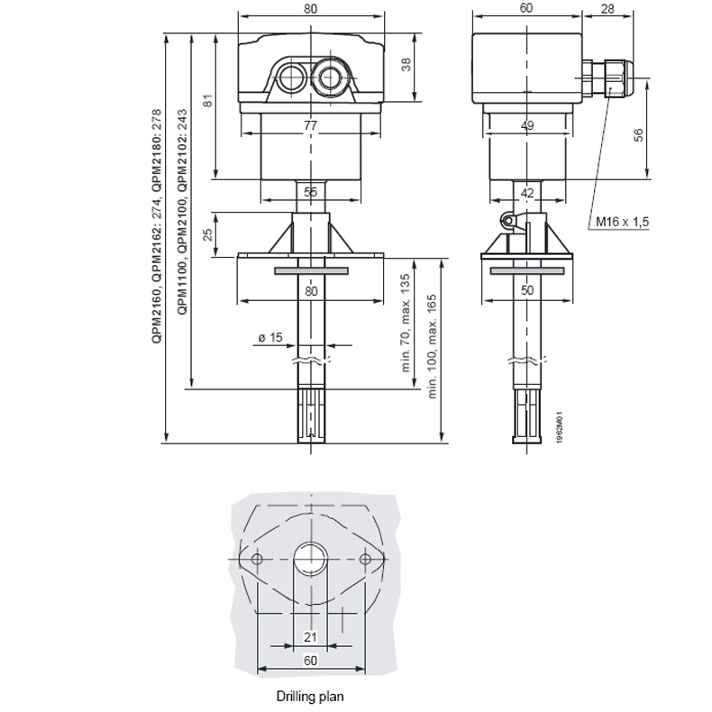
· Maintenance-free CO2 sensing element (depending on the type) based on optical
infrared absorption measurement (NDIR1)
· Or with VOC2) sensing element, based on a heated tin dioxide semiconductor
· CO2 temperature (active or passive) and CO2 humidity-temperature multisensor
· No recalibrations required
· Operating voltage AC 24 V or DC 15…35 V
· Signal outputs DC 0...10 V or DC 0...5 V or 4...20 mA adjustable
· Selectable passive temperature sensing element
1) NDIR = Non dispersive infrared
2) VOC = volatile organic compounds (also called mixed gas)







In air ducts of ventilation and air conditioning plant to enhance room comfort and to
optimize energy consumption by providing demand-controlled ventilation. The sensor
acquires:
· CO2 concentrations
· VOC concentrations as an indication of odors in the duct air, such as tobacco smoke,
body odor, or material fumes
· The relative humidity of the duct air
· The duct air temperature
Sensors QPM1100 and QPM21… can be used as a:
· Control sensor in the supply or extract air duct
· Transmitter for building automation and control systems and / or display units
(QPM21…D only).
Typical use:
· Acquisition of CO2 and VOC concentrations:
In party rooms, lounges, fair pavillions and exhibition halls, restaurants, canteens,
shopping malls, sports gymnasiums, sales rooms, and conference rooms
· Acquisition of CO2 concentrations:
In ventilation plant of rooms with varying occupancy levels where smoking is prohibited,
such as museums, theatres, movie theatres, auditoriums, office spaces and
school rooms
· The QPM21… sensors are not suited for use as safety devices, such as gas or
smoke warning devices!
· The sensors must not be used outdoors!
| 好评度 | 商品满意度 | 服务满意度 | 发货满意度 |
"西门子风管式空气质量传感器, QPM1104"商品可能已被商家删除,您可查看其他相似商品!
相似产品推荐
