服务电话(移):17319309550
DeepBio得分:5567.2
DeepBio得分
是基于文献引用次数,影响因子,文献新近度等因素计算的客观产品评级,得分越高表明该产品经过越可靠的实验验证,质量可信度越高



|













注:产品的长宽高重量参数仅供仓库入库参考,如有技术性选型引起的尺寸和重量需求,请查看该产品手册或者在线咨询。 |
| 好评度 | 商品满意度 | 服务满意度 | 发货满意度 |
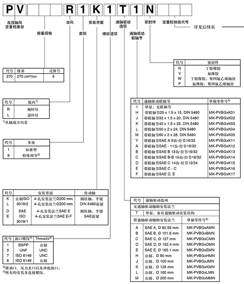
"派克/Parker PV系列轴向柱塞变量泵,PV270R1K1T1NMMC 售卖规格:1个"商品可能已被商家删除,您可查看其他相似商品!
相似产品推荐
