运杂费:登录后可查看运杂费
服务电话(移):17319309550
DeepBio得分:5567.2
DeepBio得分
是基于文献引用次数,影响因子,文献新近度等因素计算的客观产品评级,得分越高表明该产品经过越可靠的实验验证,质量可信度越高

| 3RT6-交流接触器 | |||||||||||
| 选型和订货信息 | |||||||||||
| 交流操作,螺钉接线端子 | |||||||||||
| 额定值 | 集成辅助触点 | 额定控制电压Us(交流50/60Hz) | 订货号 | 重量 | |||||||
| AC-2及AC-31),Tu:至60℃ |
AC-1,Tu:40℃ | ||||||||||
| 400V条件下的额定工作电流/e | 400V/50Hz条件下的电动机额定功率P | 690V条件下的额定工作电流/e | |||||||||
| A | kW | A | NO | NC | V | kg | |||||
| 螺钉安装或35mm标准导轨安装 | |||||||||||
| S00规格 | |||||||||||
| 1)常见使用类别的含义: | 辅助触点和中间继电器 | ||||||||||
| 接触器 | 交流 | ||||||||||
| 交流 | AC-11:控制交流电磁铁负载 | ||||||||||
| AC-1:无感或微感负载、电阻炉 | AC-12:控制电阻性负载和光电耦合隔离的固态负载 | ||||||||||
| AC-2:绕线式感应电动机的起动、分断 | AC-14:控制小型电磁铁负载(≤72VA) | ||||||||||
| AC-3:鼠笼型感应电动机的起动、运转中分断 | AC-15:控制电磁铁负载(>72VA) | ||||||||||
| AC-4:鼠笼型感应电动机的起动、反接制动或反向运转、点动 | 直流 | ||||||||||
| 直流 | DC-12:控制电阻性负载和光电耦合隔离的固态负载 | ||||||||||
| DC-1:无感或微感负载、电阻炉 | DC-13:控制电磁铁负载 | ||||||||||
| DC-3:并励电动机的起动、反接制动或反向运转、点动、电动机在动态中分断 | |||||||||||
| DC-5:串励电动机的起动、反接制动或反向运转、点动、电动机在动态中分断 | |||||||||||
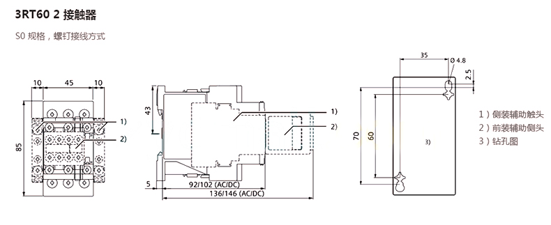
| 3RT6-交流接触器 | ||||||||||||
| 螺钉安装或 35 mm 标准导轨安装 | ||||||||||||
| S0 规格 | ||||||||||||
| 38 | 18.5 | 50 | 1 | 1 | 24 | 3RT60 28-1AC20 | 0.460 | |||||
| 110 | 3RT60 28-1AG20 | 0.460 | ||||||||||
| 220 | 3RT60 28-1AN20 | 0.460 | ||||||||||




| 好评度 | 商品满意度 | 服务满意度 | 发货满意度 |
"西门子/SIEMENS 3RT5/6 交流接触器(交流线圈),3RT6028-1AN20 3RT60281AN20 售卖规格:1个"商品可能已被商家删除,您可查看其他相似商品!
相似产品推荐
