DeepBio得分:5567.2
DeepBio得分
是基于文献引用次数,影响因子,文献新近度等因素计算的客观产品评级,得分越高表明该产品经过越可靠的实验验证,质量可信度越高
|
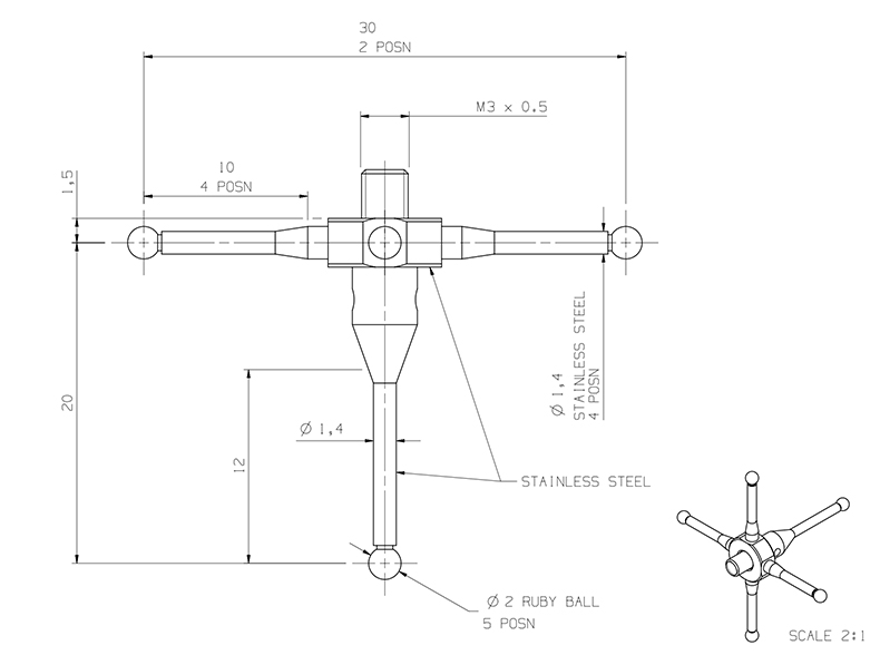
测球直径 (mm) |
2 |
有效工作距离 (mm) |
32 |
有效工作长度 (mm) |
11 |
吸盘材料 |
不锈钢 |
全长 (mm) |
21.5 |
跨距 (mm) |
30 |
测杆直径 (mm) |
1.4 |
测杆材料 |
不锈钢 |
螺纹 |
M3 |
测针端部材料 |
红宝石 |



| 好评度 | 商品满意度 | 服务满意度 | 发货满意度 |
"雷尼绍 测针M3接口,A-5003-0076"商品可能已被商家删除,您可查看其他相似商品!
相似产品推荐
