服务电话(移):17319309550
DeepBio得分:5567.2
DeepBio得分
是基于文献引用次数,影响因子,文献新近度等因素计算的客观产品评级,得分越高表明该产品经过越可靠的实验验证,质量可信度越高
这些温度变送器广泛用于设备、机械制造,以及过程工业中,具有高精度和卓越的抗电磁干扰(EMI)性能。通过温度变送器可轻松、快捷地配置参数,且可通过-一个简洁的预览界面查看配置好的参数。
不仅能选择不同类型传感器和测量范围,还能存储故障信号、阻尼、多测量点描述和过程调控。
此外,还提供了一种线性记录功能,可显示连接至S10温度变送器的传感器的温度曲线图。
S10型温度变送器具有传感器线阻监测、符合NAMUR NE89标准的传感器故障检测,以及测量范围监测等诸多监控功能。
此外,这些温度变送器还能定期执行全面自检。
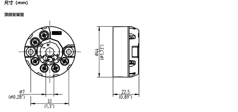
用于连接2线制、3线制或4线制传感器
用于连接电位计电路中的磁簧开关连锁装置
连接终端可直接从外部访问
精度:<0.2K ( < 0.36°F) /0.1%






过程工业
机械、设备制造
| 好评度 | 商品满意度 | 服务满意度 | 发货满意度 |
"罗德玮格 温度变送模块,LWS10-H S10-H 售卖规格:1只"商品可能已被商家删除,您可查看其他相似商品!
相似产品推荐
