运杂费:登录后可查看运杂费
服务电话(移):17319309550
DeepBio得分:5567.2
DeepBio得分
是基于文献引用次数,影响因子,文献新近度等因素计算的客观产品评级,得分越高表明该产品经过越可靠的实验验证,质量可信度越高
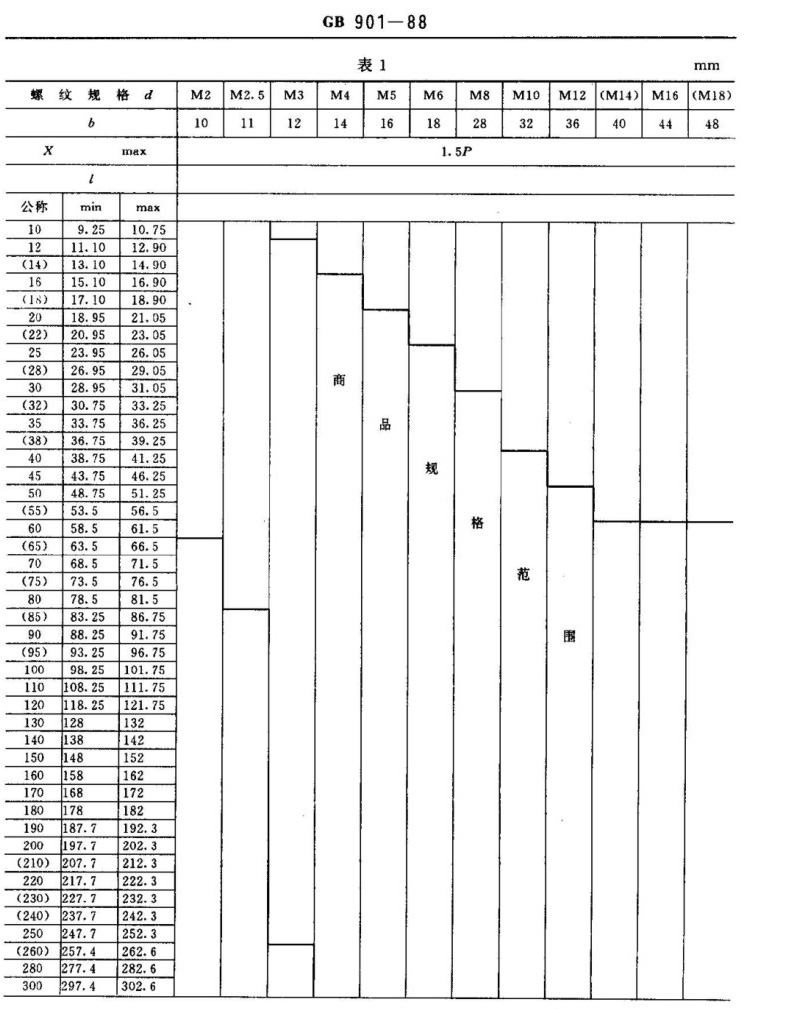
双头螺栓(Stud),也叫双头螺丝或双头螺柱。用于连接机械的固定链接功能,双头螺栓两头带有螺纹,中间有螺杆,分为粗杆和细
杆两种。一般用于矿山机械,桥梁,汽车,摩托车,锅炉钢结构,吊塔,大跨度钢结构和大型建筑等,主要用在以下领域:
1、用在主体为大型设备,需要安装附件,比如视镜、机械密封座双头螺栓、减速机架等。这时就用到双头螺栓,一端拧入主体,安
装好附件后另一端带上螺母,由于附件是经常拆卸的,螺纹会磨损或损坏,使用双头螺栓更换会非常方便。
2、用于连接体厚度很大,螺栓长度非常长时,会用双头螺栓。
3、用于连接厚板和不便使用六角螺栓连接的地方,如混凝土屋架、屋面梁悬挂单轨梁悬挂件等。







1、正确选择产品
1)在使用之前先确认产品的机械性能是否满足客户使用要求(如螺栓的抗拉强度和螺帽的安全负荷)。
2)螺栓的长度选择应恰当,以旋紧后露出螺帽1-2个牙距为准。
3)使用前产品螺纹应保持清洁。
2、如何正确使用紧固件
1)拧紧时应注意扳手施力方向要与螺杆轴线重合,切勿倾斜。
2)在旋紧过程中用力不可超过安全扭力且要均匀,尽量选用扭力扳手或者套筒配合使用。
3)上锁速度过快会导致锁死,建议不要使用电动或气动扳手。
4)保持螺纹清洁,为确保螺丝和螺帽配合顺畅,建议把产品装在干净的容器内取用,勿随意放置。
3、维护保养标准
1)拆卸下的螺丝、螺帽有轻微损伤的,应用板牙、丝锥修复。
2)拆下的和修复的螺丝、螺帽应以油泡或上润滑油的方式进行保养,并按规格、型号用途分类摆放整齐。
4、报废标准
有明显裂纹、断扣、滑死、乱扣、螺杆拉伸变形、剪切痕迹等其他一切经现场领导认定不能修复的螺栓方可报废处理。
| 好评度 | 商品满意度 | 服务满意度 | 发货满意度 |
"哈德威 双头螺栓细杆,GB901,M16-2.0X50,4.8级,镀锌GB901细杆,M16-2.0X50,4.8级,镀锌 售卖规格:50个/件"商品可能已被商家删除,您可查看其他相似商品!
相似产品推荐
