运杂费:登录后可查看运杂费
服务电话(移):17319309550
DeepBio得分:5567.2
DeepBio得分
是基于文献引用次数,影响因子,文献新近度等因素计算的客观产品评级,得分越高表明该产品经过越可靠的实验验证,质量可信度越高


| 好评度 | 商品满意度 | 服务满意度 | 发货满意度 |
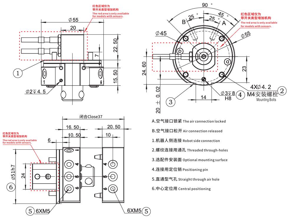
"希瑞格/CRG 自动快换-机器人侧,QCA-15R 订货号:8.Y00353 售卖规格:1个"商品可能已被商家删除,您可查看其他相似商品!
相似产品推荐
