服务电话(移):17319309550
DeepBio得分:5567.2
DeepBio得分
是基于文献引用次数,影响因子,文献新近度等因素计算的客观产品评级,得分越高表明该产品经过越可靠的实验验证,质量可信度越高






| 好评度 | 商品满意度 | 服务满意度 | 发货满意度 |
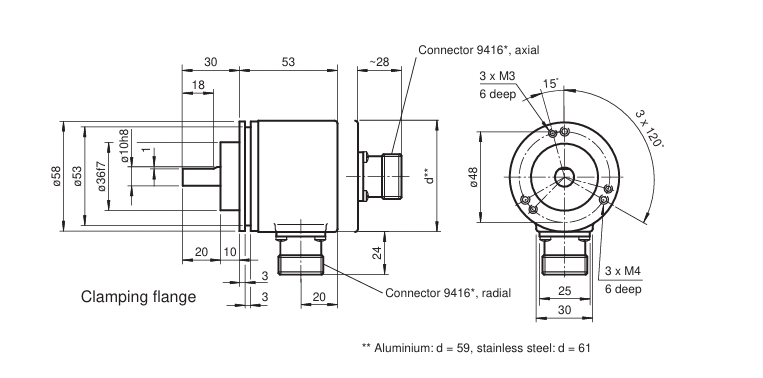
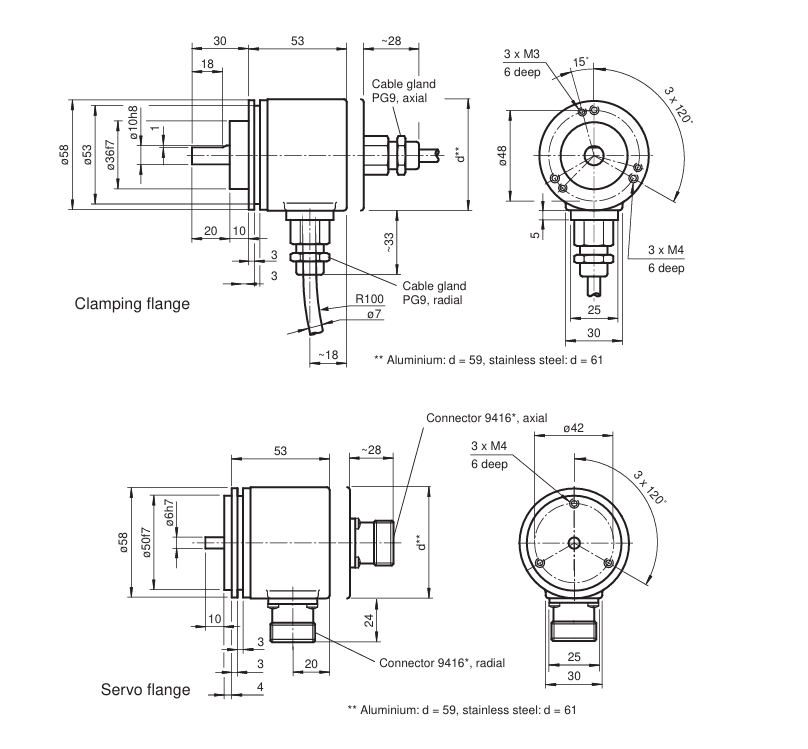
"倍加福/P+F 绝对值编码器,AVS58N-011K1RHGN-0012 售卖规格:1个"商品可能已被商家删除,您可查看其他相似商品!
相似产品推荐
