运杂费:登录后可查看运杂费
服务电话(移):17319309550
DeepBio得分:5567.2
DeepBio得分
是基于文献引用次数,影响因子,文献新近度等因素计算的客观产品评级,得分越高表明该产品经过越可靠的实验验证,质量可信度越高
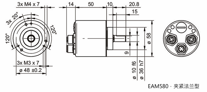
| 多圈编码器 / PROFINET IO 精确的磁感应技术 分辨率最高30位(14位多圈,16位多圈) 测量精度高达±0.15° 高防护等级:最高IP67 超强的抗冲击和抗振动能力 LED状态显示 |


| 好评度 | 商品满意度 | 服务满意度 | 发货满意度 |
"堡盟/BAUMER 绝对值编码器,EAM580-SC0.7YPT.14160.A 售卖规格:1个"商品可能已被商家删除,您可查看其他相似商品!
相似产品推荐
